Nut (hardware)
A nut is a type of fastener with a threaded hole. Nuts are almost always used in conjunction with a mating bolt to fasten multiple parts together. The two partners are kept together by a combination of their threads' friction (with slight elastic deformation), a slight stretching of the bolt, and compression of the parts to be held together.

In applications where vibration or rotation may work a nut loose, various locking mechanisms may be employed: lock washers, jam nuts, eccentric double nuts,[1] specialist adhesive thread-locking fluid such as Loctite, safety pins (split pins) or lockwire in conjunction with castellated nuts, nylon inserts (nyloc nut), or slightly oval-shaped threads.
Square nuts, as well as bolt heads, were the first shape made and used to be the most common largely because they were much easier to manufacture, especially by hand. While rare today due to the reasons stated below for the preference of hexagonal nuts, they are occasionally used in some situations when a maximum amount of torque and grip is needed for a given size: the greater length of each side allows a spanner to be applied with a larger surface area and more leverage at the nut.
The most common shape today is hexagonal, for similar reasons as the bolt head: six sides give a good granularity of angles for a tool to approach from (good in tight spots), but more (and smaller) corners would be vulnerable to being rounded off. It takes only one sixth of a rotation to obtain the next side of the hexagon and grip is optimal. However, polygons with more than six sides do not give the requisite grip and polygons with fewer than six sides take more time to be given a complete rotation. Other specialized shapes exist for certain needs, such as wingnuts for finger adjustment and captive nuts (e.g. cage nuts) for inaccessible areas.

Types
A wide variety of nuts exists, from household hardware versions to specialized industry-specific designs that are engineered to meet various technical standards. Fasteners used in automotive, engineering, and industrial applications usually need to be tightened to a specific torque setting, using a torque wrench. Nuts are graded with strength ratings compatible with their respective bolts; for example, an ISO property class 10 nut will be able to support the bolt proof strength load of an ISO property class 10.9 bolt without stripping. Likewise, an SAE class 5 nut can support the proof load of an SAE class 5 bolt, and so on.
| Name | Also known as | Image | Description |
|---|---|---|---|
| Acorn nut (cap nut) | Crown hex nut, blind nut, cap nut, domed cap nut, or dome nut | ![]() |
A nut that has a domed end on one side |
| Barrel nut | Steel cross dowel or dowel nut, cross dowel (woodworking) | ![]() |
A round slug or formed sheet metal part with threads perpendicular to the length of the nut |
| Cage nut | Caged nut, captive nut, clip nut | ![]() |
A (usually square) nut in a spring steel cage which wraps around the nut. The cage has two wings that when compressed allow the cage to be inserted into the square holes |
| Clip-on nut | J-nut or U-nut, sheet metal nut, speed nut (ambiguously) | ![]() |
Designed to be clipped to sheet metal |
| Coupling nut | Extension nut | ![]() |
A threaded fastener for joining two male threads, most commonly a threaded rod,[1][2] but also pipes |
| Flange nut | Collar nut | ![]() |
Has a wide flange at one end that acts as an integrated washer |
| HARDLOCK Nut[2] | Eccentric Double Nut | ![]() |
A self-lock nut. Improvement of the double nut that uses a wedge principal, eliminating space between threads. |
| Insert nut | ![]() |
A threaded socket for a wooden workpiece, similar to a wall anchor. | |
| Knurled nut | Thumb nut | ![]() |
Has a knurled outside surface which facilitates tightening by hand (thumb nut) or secures the nut into a handle or cover (insertion nut) |
| Sex bolt | Barrel nut, barrel bolt, binding barrel, Chicago screw, post and screw or connector bolt | ![]() |
Has a barrel-shaped flange and protruding boss that is internally threaded |
| Split nut | Split lengthwise into two pieces (opposed halves) so that its female thread may be opened and closed over the male thread of a bolt or leadscrew | ||
| Sleeve nut | |||
| Spring nut | ![]() |
Used with strut to join things to the open face thereof. The grooves in its face engage the lips of the open side of the strut channel, while the spring pushes against the opposite side, to hold the nut in place. | |
| Square nut | ![]() |
Four-sided nut. Compared to standard hex nuts, square nuts have a greater surface in contact with the part being fastened, and therefore provide greater resistance to loosening (though also greater resistance to tightening) | |
| Swage nut | Self-clinching nut | ![]() |
Used on sheet metal. It permanently anchors itself to the sheet metal by swaging the surrounding material. |
| T-nut | tee nut, blind nut (ambiguously) | ![]() |
Used to fasten a wood, particle or composite materials workpiece, leaving a flush surface. |
| T-slot nut | T-groove nut | ![]() |
Used with a threaded clamp to position and secure pieces being worked on in a workshop |
| Wedge nut | ![]() |
||
| Weld nut | ![]() |
Designed to be welded to another object | |
| Well nut | Rawlnut or Rawl nut (proprietary) | ![]() |
Used to blindly fasten a piece and to seal the bolt hole |
| Wing nut | Butterfly nut | ![]() |
Has two large metal "wings", one on each side, so it can be easily tightened and loosened by hand without tools |
Locknuts
Many specialised types of nut exist to resist loosening of bolted joints, either by providing a prevailing torque against the male fastener or by gripping against the bolted components. These are generally referred to as locknuts.
- Castellated nut
- Distorted thread locknut
- Centerlock nut
- Elliptical offset locknut
- Toplock nut
- Interfering thread nut
- Jam nut
- Jet nut (K-nut)
- Keps nut (K-nut or washer nut) with a star-type lock washer
- Nyloc plate nut
- Polymer insert nut (Nyloc)
- Security locknut
- Serrated face nut
- Serrated flange nut
- Speed nut (Sheet metal nut or Tinnerman nut)
- Split beam nut
- BINX nut[3]
Gallery
Left to right: Wing, hex, hex flange, and slab weld nuts.
Left to right: Slotted, square (upper) , T-nut (lower) , cap (or acorn), nylon locking (top and side views), and castellated nuts.
Hexagon nuts.
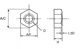
Standard nut sizes
Metric hex nuts

Note that flat (wrench) sizes differ between industry standards. For example, wrench sizes of fastener used in Japanese built cars comply with JIS automotive standard.
| Nominal hole diameter, D (mm) |
Pitch, P (mm) |
Across flats, A/F (mm) |
External diameter; across corners, A/C (mm) |
Height, H (mm) | ||||||
|---|---|---|---|---|---|---|---|---|---|---|
| 1st choice |
2nd choice |
Coarse | Fine | ISO | DIN | JIS | Hex nut |
Jam nut |
Nylon nut | |
| 1 | 0.25 | 2.5 | ||||||||
| 1.2 | 0.25 | |||||||||
| 1.4 | 0.3 | |||||||||
| 1.6 | 0.35 | 3.2 | ||||||||
| 1.8 | 0.35 | |||||||||
| 2 | 0.4 | 4 | 1.6 | 1.2 | - | |||||
| 2.5 | 0.45 | 5 | 2 | 1.6 | - | |||||
| 3 | 0.5 | 5.5 | 6.4 | 2.4 | 1.8 | 4 | ||||
| 3.5 | 0.6 | 6 | ||||||||
| 4 | 0.7 | 7 | 7 | 7 | 8.1 | 3.2 | 2.2 | 5 | ||
| 5 | 0.8 | 8 | 8 | 8 | 9.2 | 4 | 2.7 | 5 | ||
| 6 | 1 | 0.75 | 10 | 10 | 10 | 11.5 | 5 | 3.2 | 6 | |
| 7 | 1 | 11 | 5.5 | 3.5 | - | |||||
| 8 | 1.25 | 1 | 13 | 13 | 12 | 15 | 6.5 | 4 | 8 | |
| 10 | 1.5 | 1.25 or 1 | 16 | 17 | 14 | 19.6 | 8 | 5 | 10 | |
| 12 | 1.75 | 1.5 or 1.25 | 18 | 19 | 17 | 22.1 | 10 | 6 | 12 | |
| 14 | 2 | 1.5 | 21 | 22 | 19 | 11 | 7 | 14 | ||
| 16 | 2 | 1.5 | 24 | 24 | 22 | 27.7 | 13 | 8 | 16 | |
| 18 | 2.5 | 2 or 1.5 | 27 | 27 | 15 | 9 | 18.5 | |||
| 20 | 2.5 | 2 or 1.5 | 30 | 30 | 30 | 34.6 | 16 | 10 | 20 | |
| 22 | 2.5 | 2 or 1.5 | 32 | |||||||
| 24 | 3 | 2 | 36 | 41.6 | 19 | |||||
| 27 | 3 | 2 | 41 | 41 | ||||||
| 30 | 3.5 | 2 | 46 | 53.1 | 24 | |||||
| 33 | 3.5 | 2 | ||||||||
| 36 | 4 | 3 | 55 | 63.5 | 29 | |||||
| 39 | 4 | 3 | ||||||||
| 42 | 4.5 | 3 | ||||||||
| 45 | 4.5 | 3 | ||||||||
| 48 | 5 | 3 | ||||||||
| 52 | 5 | 4 | ||||||||
| 56 | 5.5 | 4 | ||||||||
| 60 | 5.5 | 4 | ||||||||
| 64 | 6 | 4 | ||||||||
SAE hex nuts
| UTS size |
Nominal hole diameter, D |
Pitch, P | Across flats, A/F |
Across corners, A/C |
Height, H | |||||||||||||||||||
|---|---|---|---|---|---|---|---|---|---|---|---|---|---|---|---|---|---|---|---|---|---|---|---|---|
| Coarse (UNC) | Fine (UNF) | Extra fine (UNEF) | Hex nut | Jam nut | Nylon nut | |||||||||||||||||||
| (in) | (mm) | (in) | (mm) | (in) | (mm) | (in) | (mm) | (in) | (mm) | (in) | (mm) | (in) | (mm) | (in) | (mm) | (in) | (mm) | |||||||
| #0 | 5⁄32 | 0.1563 | 3.969 | |||||||||||||||||||||
| #1 | 5⁄32 | 0.1563 | 3.969 | |||||||||||||||||||||
| #2 | 0.086 | 2.1844 | 3⁄16 | 0.1875 | 4.763 | 5.18 | 1.65 | |||||||||||||||||
| #3 | 3⁄16 | 0.1875 | 4.763 | 5.10 | 1.85 | |||||||||||||||||||
| #4 | 0.1120 | 2.8448 | 1⁄4 | 0.2500 | 6.35 | 7.05 | 2.25 | |||||||||||||||||
| #6 | 0.1380 | 3.5052 | 5⁄16 | 0.3125 | 7.938 | 8.95 | 2.85 | |||||||||||||||||
| #8 | 0.1640 | 4.1656 | 11⁄32 | 0.3440 | 8.731 | 0.386 | 9.80 | 3.05 | ||||||||||||||||
| #10 | 0.1900 | 4.8260 | 3⁄8 | 0.3750 | 9.525 | 0.461 | 11.70 | 3.10 | ||||||||||||||||
| #12 | 0.2160 | 5.4864 | 7⁄16 | 0.4375 | 11.113 | |||||||||||||||||||
| 1⁄4 | 1⁄4 | 0.250 | 6.350 | 7⁄16 | 0.4375 | 11.113 | ||||||||||||||||||
| 5⁄16 | 5⁄16 | 0.3125 | 7.9375 | 1⁄2 | 0.5000 | 12.700 | 0.577 | |||||||||||||||||
| 3⁄8 | 3⁄8 | 0.375 | 9.525 | 9⁄16 | 0.5620 | 14.288 | 0.650 | |||||||||||||||||
| 7⁄16 | 7⁄16 | 11⁄16 | 0.6750 | 17.463 | ||||||||||||||||||||
| 1⁄2 | 1⁄2 | 0.500 | 12.70 | 3⁄4 | 0.7500 | 19.050 | 0.866 | |||||||||||||||||
| 9⁄16 | 9⁄16 | 7⁄8 | 0.8750 | 22.225 | ||||||||||||||||||||
| 5⁄8 | 5⁄8 | 15⁄16 | 0.9375 | 23.813 | 1.083 | |||||||||||||||||||
| 3⁄4 | 3⁄4 | 0.750 | 1+1⁄8 | 1.1250 | 28.575 | 1.299 | ||||||||||||||||||
| 7⁄8 | 7⁄8 | 1+5⁄16 | 1.3125 | 33.338 | ||||||||||||||||||||
| 1 | 1 | 1 | 25.40 | 1+1⁄2 | 1.5000 | 38.100 | 1.653 | |||||||||||||||||
Classifications
| Material | Proof strength | Min. tensile yield strength | Min. tensile ultimate strength | Nut marking | Nut class | ||
|---|---|---|---|---|---|---|---|
| ISO 898 (Metric) | |||||||
| Low or medium carbon steel | 380 MPa (55 ksi) | 420 MPa (61 ksi) | 520 MPa (75 ksi) | 5 | |||
| Medium carbon steel Q&T | 580 MPa (84 ksi) | 640 MPa (93 ksi) | 800 MPa (116 ksi) | 8 | |||
| Alloy steel Q&T | 830 MPa (120 ksi) | 940 MPa (136 ksi) | 1040 MPa (151 ksi) | 10 | |||
| SAE J995 (English) | |||||||
| Low or medium carbon steel | 55 ksi (379 MPa) | 57 ksi (393 MPa) | 74 ksi (510 MPa) | 2 | |||
| Medium carbon steel Q&T | 85 ksi (586 MPa) | 92 ksi (634 MPa) | 120 ksi (827 MPa) | 5 | |||
| Alloy steel Q&T | 120 ksi (827 MPa) | 130 ksi (896 MPa) | 150 ksi (1034 MPa) | 8 | |||
Manufacture
Nut blanking
Nut threading
References
- Gong, Hao; Liu, Jianhua; Feng, Huihua (2022-02-01). "Review on anti-loosening methods for threaded fasteners". Chinese Journal of Aeronautics. 35 (2): 47–61. doi:10.1016/j.cja.2020.12.038. ISSN 1000-9361.
- "A reliable locking performance using a two nut design". Fastener + Fixing Technology. Retrieved 2022-03-15.
- fastenerdata.co.uk, retrieved 2019-03-08.
- Bickford & Nassar 1998, p. 153.
Bibliography
| Wikimedia Commons has media related to Nuts (hardware). |
- Bickford, John H.; Nassar, Sayed (1998), Handbook of bolts and bolted joints, CRC Press, ISBN 978-0-8247-9977-9.
- "Threaded fasteners". Machine Design. 61 (23): 470. 1989.







.jpg.webp)










